Throttle Body for 2006 Dodge Ram 3500
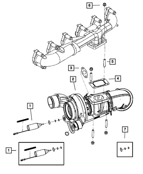
No.
Part # / Description / Price
Price
N/A
Turbo Clamp
Mopar
Mopar Notes: Engines: 5.9L I6 CUMMINS 24V DIESEL ENGINE. 5.9L I6 HO CUMMINS TD ENGINE.
MSRP $127.00
$82.97
MSRP $127.00
$82.97
N/A
1
Air Control Valve
Mopar
Mopar Notes: Engines: 5.9L I6 HO CUMMINS TD ENGINE.
Description: Service Kit For 05140305AA = 01 Seal, 01 ORing 01 Seal, ORing 01 TAPE 01 SEAL, ORing 01 Air Control Valve 01 Conduit/Convelute
MSRP $1,460.00
$939.58
MSRP $1,460.00
$939.58
2
Turbocharger 1
Mopar
Mopar Notes: Engines: 5.9L I6 HO CUMMINS TD ENGINE.
Description: With xck.
MSRP $3,315.00
$2,708.65
MSRP $3,315.00
$2,708.65
3
Turbo Oil Drain Pipe Gasket
Mopar
Mopar Notes: Engines: 5.9L I6 HO CUMMINS TD ENGINE.
Description: 1.
MSRP $20.00
$14.28
MSRP $20.00
$14.28
4
MSRP $35.00
$25.47
5
Stud, Mounting
Mopar
Mopar Notes: Engines: 5.9L I6 HO CUMMINS TD ENGINE.
Description: Turbocharger
MSRP $33.00
$24.02
MSRP $33.00
$24.02
6
Nut, Mounting
Mopar
Mopar Notes: Engines: 5.9L I6 HO CUMMINS TD ENGINE.
Description: M10x1.5. Turbocharger To Exhaust Manifold
MSRP $14.00
$9.74
MSRP $14.00
$9.74
1 This price excludes a refundable manufacturer's core charge. Add the part to your cart to see the core charge.
