Alternators for 2001 Jeep Cherokee
No.
Part # / Description / Price
Price
3
5
6
10
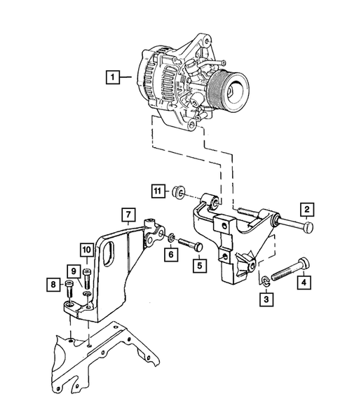
Hex Flange Nut, Mounting
Mopar
Mopar Description: M10x1.5. Belt Tensioner Pulley To Tensioner
MSRP $11.30
$8.17
MSRP $11.30
$8.17
No.
Part # / Description / Price
Price
4
5
Hex Head Locking Bolt, Mounting
Mopar
Mopar Description: M8X1.25X119.00. Front Timing Case Cover To Cylinder And Slide Bushing Block
MSRP $12.70
$9.01
MSRP $12.70
$9.01
7
9
Hex Flange Nut, Mounting
Mopar
Mopar Description: M10x1.5. Belt Tensioner Pulley To Tensioner
MSRP $11.30
$8.17
MSRP $11.30
$8.17
No.
Part # / Description / Price
Price
9
Flat Washer
Mopar
Mopar Notes: Transmissions: 5-SPEED HD MANUAL TRANSMISSION. ALL 5-SPEED MANUAL TRANSMISSIONS. ALL AUTO TRANS (DO NOT USE 2010+).
Description: W/[52105024AC]


