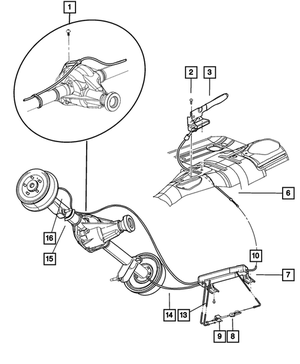
Parking Brake Bracket - Mopar (52128172)
Also Purchased
Vehicle Fitment
Select Your Vehicle Select
| Year | Make | Model | Body & Trim | Engine & Transmission |
|---|
Golling Automotive Parts
Searching for somewhere you can trust purchasing genuine parts and accessories for your MOPAR online? You've come to the right place!
Golling Automotive Parts is your go-to online retailer for original MOPAR parts and accessories. You can use the VIN lookup feature to find parts that will match your vehicle. Have questions about a part? Contact us today!
